Shortly after announcing his initial design Adrian updated his Extruder Nozzle Design. The top-hat and steel plate had been combined into a PEEK block instead. I had a few thoughts about the implications of this improvement. The first thing I realised was that getting the required materials would be expensive. Adrian suggests a crowd sourcing solution to this which is a good idea in theory, but I figured that the design could be made cheaper if we went back round PEEK bar. Also after showing my design to a few people on the reprap IRC channel one argued that my Best compromise nozzle offers no real advantage over existing hybrid thermal barriers. I decided to sketch out a few alternative approaches.
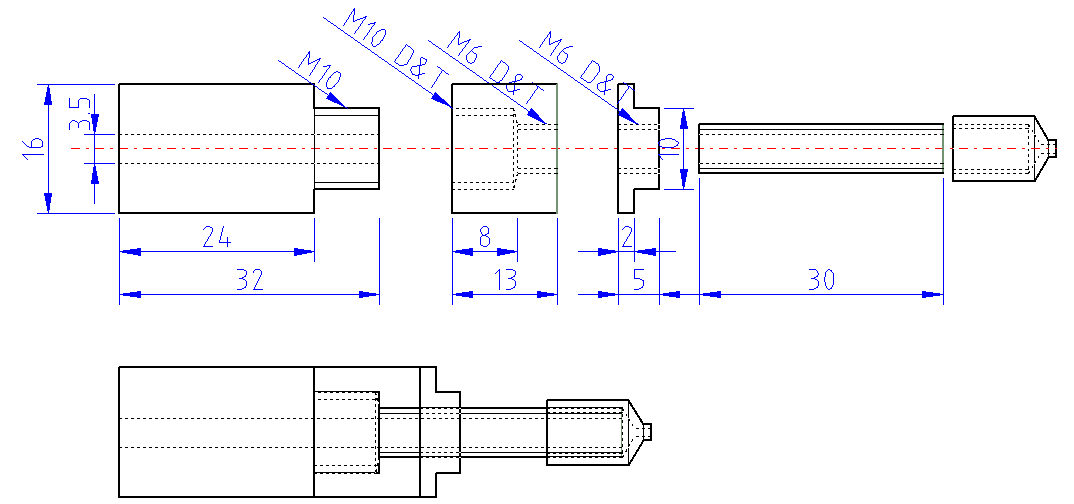
Eventually I came up with something that you are probably all quite familiar with. Its a PEEK insulator with a PTFE insert, however I came up with a slight twist on existing designs. Instead of having an insert that slides into place, my insert is M10 threaded PTFE rod, which screws into an M10 internal thread in 16mm dia PEEK. The brass barrel screws into the PEEK only, and since PEEK is much tougher than PTFE there is little chance of the barrel coming out. The PTFE basically just acts as a nice slippery surface for the filament.
I came up with a drilling methodology that I think keeps things as concentric and true as possible when using a drill stand. The first step is to drill a 16mm hole into a piece of wood, which acts as a work piece clamp. The PEEK was a tight fit in the piece of wood, since it was slightly over 16mm, I tapped into place with a hammer. Next I drilled a blind 8.5mm dia hole to a depth of 25mm. I found it was better not to drill a pilot hole as then the piece would turn in the holding jig. I tapped the hole to M10 using a taper tap followed by a plug tap, as I wanted to get the thread as close as possible to the bottom. I had already prepared a length of M10 threaded PTFE which I cut longer than needed so that I could screw it in and use the protruding part to screw it in extra tight. I cut the PTFE flush and drilled a 3.5mm hole all the way through the assembled insulator. This 3.5mm hole then acted as a centre so that when I turned the PEEK over I could drill the 5.0mm and Tap to M6.

Here is the result, I was quite pleased how central the hole turned out, before I bought a drill stand I had had a lot of difficulty getting a hole to be consentric over this length.


















